Электронная почта:

Запрос в мессенджер:

Тел. и время работы:
+7 (812) 207-52-94
Пн-Вс 7:00 - 20:00
Заказ оборудования по телефону:
8 (800) 511-59-77
Выбранный город:
Санкт-Петербург
Митрофаньевское шоссе, 8А, Лит. Б
  • Надежные бренды и подтвержденные стандарты качества:
Заказ оборудования по телефону: 8 (800) 511-59-77

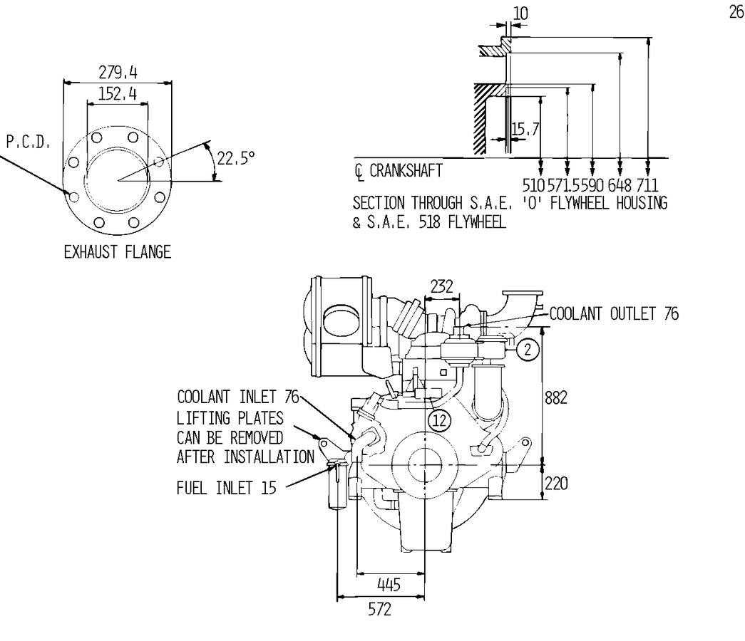
Дизельная электростанция Coelmo PDT408A (679 кВт)

Технические характеристики PDT408A

Двигатель Perkins 4008TAG

  • Объём двигателя, л30.6
  • СтранаВеликобритания
  • Номинальная мощность
  • Максимальная мощность, кВт844.00
  • Объём масляной системы, л165.60
  • Расположение цилиндров8, рядное
  • Тип охлаждения двигателяжидкостное
  • Частота вращения, об/мин1500
  • Расход топлива при 100% нагрузке, л/час185.3
  • Расход топлива при 75% нагрузке, л/час139
  • Макс. автономия (при нагрузке 100%), ч0.6
  • Макс. автономия (при нагрузке 75%), ч0.9

Генератор переменного тока

Габариты ДЭС

  • Габариты, мм 5000x2000x2410
  • Ёмкость бака, л 1000, 3000 или 5000
  • Масса, кг 9053

Прочее

  • Номинальная мощность 679
  • Двигатель Perkins
  • Расход топлива при 100% нагрузке, л/час 185.3
  • Расход топлива при 75% нагрузке, л/час 139

Дизельная электростанция Coelmo PDT408A (Италия) имеет номинальную мощность 679кВт (849 кВА), расход топлива при 100% нагрузке - 185.3 л/час. Максимальная автономия при нагрузке 75% - 0.9 ч. Масса - 9053 кг. Габариты 5000x2000x2410 мм.

Оставьте заявку на расчет цены проекта дизельного генератора 679 кВт

Наша команда поможет выбрать дизель-генератор
Наша команда

Наша команда поможет выбрать дизель-генератор, подготовить проектную документацию и осметить СМР

Константин Новиков
Руководитель отдела продаж
Максим Резенко
Руководитель направления продаж ДГУ
Борис Михайлов
Специалист отдела продаж
Филипп Крекотень
Руководитель направления продаж сервисных услуг
Игорь Ишин
Главный инженер проектов
Евгений Шеленков
Менеджер по продажам
Выберите дополнительно:
Контейнер цельносварной, с электрикой, ЩСН, отоплением, вентиляцией, пожарной и охранной сигнализацией
Контейнер цельносварной, с электрикой, ЩСН, отоплением, вентиляцией, пожарной и охранной сигнализацией
Опции для ДГУ: топливный бак до 10000 л с датчиками уровня, система автоподкачки топлива, дополнительный масляный бак 500 л
Опции для ДГУ: топливный бак до 10000 л с датчиками уровня, система автоподкачки топлива, дополнительный масляный бак 500 л
Высоковольтные ДГУ 6/10 кВ, КСО с вакуумным выключателем, повышающий трансформатор, модуль управления
Высоковольтные ДГУ 6/10 кВ, КСО с вакуумным выключателем, повышающий трансформатор, модуль управления
Шасси с осевой нагрузкой до 20 тонн
Шасси с осевой нагрузкой до 20 тонн
Шумозащитный кожух с критическим глушителем 55 дБ (А)
Шумозащитный кожух с критическим глушителем 55 дБ (А)
АСУ ТП с внедрением SCADA, удаленный мониторинг и управление ДГУ
АСУ ТП с внедрением SCADA, удаленный мониторинг и управление ДГУ
АВР и параллельная работа нескольких ДГУ
АВР и параллельная работа нескольких ДГУ
Интеграция ДГУ с комплектной трансформаторной подстанцией
Интеграция ДГУ с комплектной трансформаторной подстанцией
ИБП от 20 до 500 кВА: Online с АВР, ВРУ и ДГУ для потребителей I категории надежности
ИБП от 20 до 500 кВА: Online с АВР, ВРУ и ДГУ для потребителей I категории надежности
Проектирование и РД, техническая экспертиза, электролаборатория до 10 кВ
Проектирование и РД, техническая экспертиза, электролаборатория до 10 кВ
Строительно-монтажные работы, прокладка кабельной трассы, установка РУ, допуск от Ростехнадзора
Строительно-монтажные работы, прокладка кабельной трассы, установка РУ, допуск от Ростехнадзора
Дизельные электростанции:
Бюджетные:
Оптимальные по качеству и цене:
Премиальные: