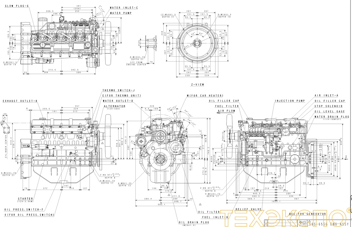
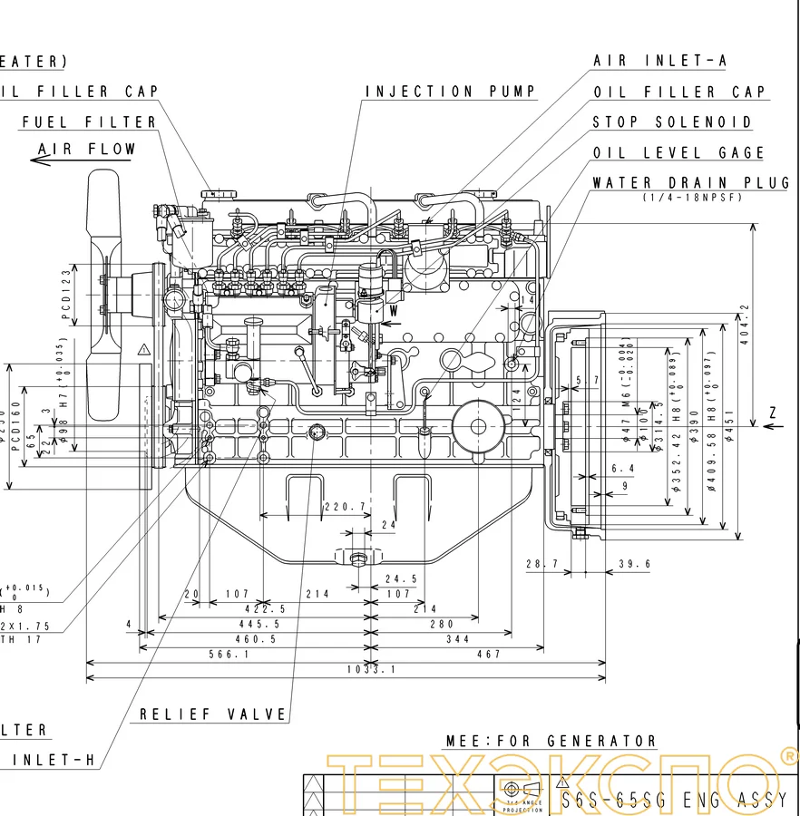
Двигатель Mitsubishi S6S 65SG (0 кВт)
Mitsubishi S6S 65SG - 0 кВт купить | Двигатель в Техэкспо
Mitsubishi S6S 65SG - 0 кВт купить | Двигатель в Техэкспо
Mitsubishi S6S 65SG - 0 кВт купить | Двигатель в Техэкспо
Mitsubishi S6S 65SG - 0 кВт купить | Двигатель в Техэкспо
Mitsubishi S6S 65SG - 0 кВт купить | Двигатель в Техэкспо
Mitsubishi S6S 65SG - 0 кВт купить | Двигатель в Техэкспо
Mitsubishi S6S 65SG - 0 кВт купить | Двигатель в Техэкспо
-
Объём двигателя, л:
5.0
-
Максимальная мощность, кВт:
45 кВт / 57 кВА
-
Расположение цилиндров:
6, рядное
-
под заказ
-
Технические характеристики S6S 65SG
- ПроизводительMitsubishi
- СтранаЯпония
- Объём масляной системы, л
- Тип охлаждения двигателяжидкостное
- Частота вращения, об/мин1 500
Описание S6S 65SG
