Электронная почта:

Запрос в мессенджер:

Тел. и время работы:
+7 (812) 207-52-94
Пн-Вс 7:00 - 20:00
Заказ оборудования по телефону:
8 (800) 511-59-77
Выбранный город:
Санкт-Петербург
Митрофаньевское шоссе, 8А, Лит. Б
  • Надежные бренды и подтвержденные стандарты качества:
Заказ оборудования по телефону: 8 (800) 511-59-77

Комплектная станция пожаротушения для корпуса пациентов с внебольничной пневмонией Усть-Кутской больницы

Заказчик Усть-Кутская районная больница
Фото
Решение

ООО «Техэкспо» в 2020 г. поставило комплектную станцию пожаротушения для модульного корпуса на 60 мест для пациентов с внебольничной пневмонией ОГБУЗ «Усть-Кутская районная больница».

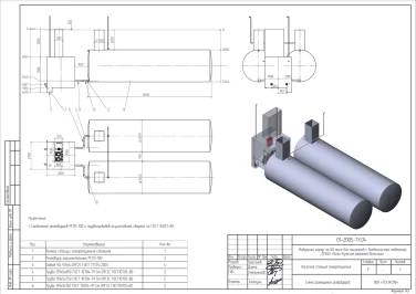
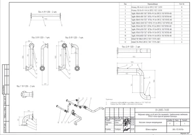
В рамках проекта ООО «Техэкспо» выступило в качестве EPC-подрядчика: разработало техническую документацию по строительству системы пожаротушения (технологические решения, наружные сети водоснабжения и канализации, электроснабжение автоматизация комплексная), поставило насосную станцию из двух насосов Leo XST50-200/110 (1 рабочий + 1 резервный), трубную обвязку и коллекторы из нержавеющей стали, шкаф управления и пульт дистанционного управления, а также подземный резервуар для воды 100 м3. На объекте провели СМР с подводом труб от резервуара.

Приложения во вкладке Чертежи (ниже):

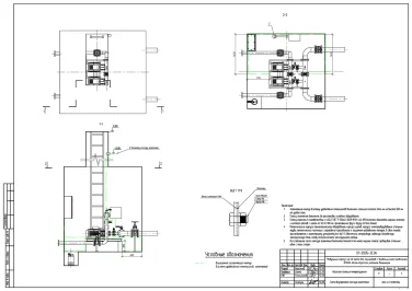
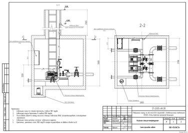
Раздел ТХ на 25л.: план размещения станции пожаротушения, схема размещения оборудования  и резервуаров внутри камеры, трубная обвязка, узлы прохода трубопроводов, обвязка вентиляции, металлический пьедестал.

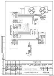
Раздел АК на 54л.: пояснительная записка, структурная схема, схема расположения элементов охранно-пожарной сигнализации, схема электрическая принципиальная, алгоритм работы ППУ, функциональная схема автоматизации, схема прокладки кабеля, ведомость чертежей (технологические решения, наружные сети водоснабжения и канализации, электроснабжение), кабельный журнал, конструкторская документация на щит управления насосами ЩУН (ППУ) и устройство дистанционного пуска (УДП).

Раздел ЭС на 42л.: схемы прокладки кабельных линий, расположения электрооборудования, внутреннего контура заземления. 


Закажите расчет бюджета аналогичного проекта - напишите нам запрос на

Направим на ваш объект инженера для бесплатного предпроектного осмотра, подберем оборудование, составим смету

Следующий проект

Форма заявки

Дизельные электростанции:
Бюджетные:
Оптимальные по качеству и цене:
Премиальные: