Электронная почта:

Запрос в мессенджер:

Тел. и время работы:
+7 (812) 207-52-94
Пн-Вс 7:00 - 20:00
Заказ оборудования по телефону:
8 (800) 511-59-77
Выбранный город:
Санкт-Петербург
Митрофаньевское шоссе, 8А, Лит. Б
  • Надежные бренды и подтвержденные стандарты качества:
Заказ оборудования по телефону: 8 (800) 511-59-77

Насосные установки пожаротушения и водоснабжения для вахтового поселка нефтяной компании в Иркутской области

Задача Обеспечить вахтовый поселок нефтяной компании системами водоснабжения и пожаротушения
Решение

В 2020 г. ООО «Техэкспо» поставило две комплектные насосные установки в специальных сертифицированных контейнерах для вахтового поселка строителей нефтяной компании в Иркутской области. Наша компания изготовила для потребителей I категории надежности электроснабжения насосную станцию для пожаротушения (8 насосных агрегатов) и станцию водоснабжения. На собственном производстве мы изготовили два цельносварных контейнера габаритами 4500х3300х2700мм и 3000х3000х3000мм, 2 степени огнестойкости, с системами освещения, приточно-вытяжной  вентиляцией, отоплением электроконвекторами, охранной и пожарной сигнализациями Болид С2000, огнетушителями.

Насосная станция пожаротушения:

Насосы Grundfos CR 64-4-2 A-F-A-E-HQQE для пожаротушения (1 рабочий/1 резервный), производительность 82 м3/ч, напор 54 м.

Насосы Grundfos MAGNA1 40-100 F для циркуляции (1 рабочий/1 запасной), тип, производительность 15 м3/ч, напор 5 м. В режиме «циркуляции» - включение насоса, в автоматическом режиме - в зависимости от температуры наружного воздуха.

Насосы Grundfos Hydro Solo FS CR 3-13 жокей (1 рабочий/1 запасной), производительность 3 м3/ч, напор 61 м.

Насосы Grundfos Unilift KP 250 A 1 (1 рабочий/1 запасной) для дренажа,  производительность 5 м3/ч, напор 5 м.

Для станции пожаротушения установлены бак мембранный Grundfos объемом 80 л, электропривод AUMA SA07.6 и запорная арматура - задвижка клиновая фланцевая Hawle Py16 и клапан обратный межфланцевый двустворчатый Tecofi Ру16.

Насосная станция водоснабжения

Три насоса Grundfos CR 10-5 A-FJ-A-E-HQQE, производительность 20 м3/ч, напор 40 м. Вертикальный многоступенчатый центробежный насос с всасывающим и напорным патрубками, расположенными на одном уровне ("ин-лайн"), что обеспечивает возможность установки в горизонтальной однотрубной системе. Насос оснащен асинхронным 3-фазным электродвигателем на лапах, с воздушным охлаждением. Запорная арматура VALTEC Ру16, клапан обратный межфланцевый двустворчатый VALTEC Ру16.

В комплекте с каждой станцией Техэкспо поставило:

  • КИП: манометры РОСМА и мановакуумметр РОСМА до и после каждого насосного агрегата, система защиты от «сухого» хода (реле потока) на всасывающей линии каждого насосного агрегата, реле давления РОСМА на напорной линии каждого насосного агрегата, датчик давления РОСМА на напорном трубопроводе после каждого насосного агрегата.
  • АСУТП: шкаф вводно-распределительный (АВР на базе Schneider Electric), шкаф собственных нужд.
  • Трубные детали - отводы, тройники, фланцы и кабельно-проводниковая продукция в пределах монтажа насосной станции.
  • ЗИП на 2 года: межфланцевые прокладки, автоматический выключатель.

Работа насосной станции пожаротушения предусматривается в трех режимах – пожаротушения, ожидания и циркуляции. Срабатывание режима пожаротушения происходит от падения давления в наружной сети В2 (по датчику жокей-насоса) и от кнопок в помещении насосной и в здании КПП.

В режиме ожидания поддерживается расчетное давление в сети. Для этого предусматривается установка жокей-насоса и мембранного напорного бака. При падении давления в системе включается жокей-насос. Если расход воды небольшой и жокей-насос справляется с восполнением утечки, то через некоторое время после достижения верхнего предела заданного давления он выключится. Если же расход воды значительный, то даже при работающем жокей-насосе давление продолжает падать. В этом случае, по сигналу второго реле давления, включается основной пожарный насос. Резервный агрегат включается при отказе основного.

От насосной станции прокладывается надземная кольцевая сеть противопожарного водоснабжения В2 с установкой пожарных гидрантов, с устройством тупиковых участков вводов в здания общежитий. Кольцевая сеть наполнена водой, поэтому в холодный период года для защиты от замерзания предусматривается ее циркуляция. При работе НСП в режиме «циркуляции» включение насоса может быть как ручным, так и в автоматическом режиме (периодичность выставляется в зависимости от температуры наружного воздуха). Циркуляция работает по замкнутому кругу - по кольцевой противопожарной сети. При срабатывания режима пожаротушения, режим циркуляции выключается автоматически.

Чертежи:

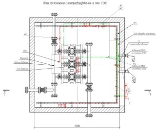
Насосная станция водоснабжения: ведомость рабочих чертежей основного комплекта. 01-2004-НСВ.02 Схема насосной станции водоснабжения, 01-2004-НСВ.03 Схема расположения электрооборудования, 01-2004-НСВ.04 Схема электрическая однолинейная щита ВРУ, 01-2004-НСВ.05 План нагрузок, 01-2004-НСВ.06 Схема обвязки, 01-2004-НСВ.07 Схема расположения элементов пожарной сигнализации, 01-2004-НСВ.КЖ Кабельный журнал.

Ведомость основных комплектов рабочих чертежей: 01-2004-НСВ Насосная станция водоснабжения.

01-2004-НСВ.С Спецификация оборудования и материалов, Приложение 1 Схема пьедестала под насосную станцию, Приложение 2 Щит управления насосами.

Насосная станция пожаротушения: ведомость рабочих чертежей основного комплекта. 02-2004-НСП.02 Схема насосной станции пожаротушения, 02-2004-НСП.03 Схема расположения, электрооборудования, 02-2004-НСП.04 Схема внутреннего контура заземления, 02-2004-НСП.05 Схема водоснабжения и водоотведения, 02-2004-НСП.06 Схема электрическая однолинейная щита ЩРС, 02-2004-НСП.07 План нагрузок, 02-2004-НСП.08 Схема расположения элементов пожарной сигнализации, 02-2004-НСП.09 Схема обвязки насосной станции пожаротушения, 02-2004-НСП.10 Схема электрическая щита ВРУ, 02-2004-НСП.КЖ Кабельный журнал.

Ведомость основных комплектов рабочих чертежей: 02-2004-НСП Насосная станция пожаротушения.

02-2004-НСП.С Спецификация оборудования и материалов. Приложение 1 Типовая схема подключения Щита управления насосами, Приложение 2 Техническое задание на проектирование пьедесталов, Приложение 3 Технический паспорт счетчика VALTEC, Приложение 4 Схема конструкции перегородок в контейнере, Приложение 5 Щит управления насосами ЩУН, Приложение 6 Щит управления задвижкой ЩУЗ-1, Приложение 7 Щит управления задвижками ЩУЗ-2.

Фото

Закажите расчет бюджета аналогичного проекта - напишите нам запрос на

Направим на ваш объект инженера для бесплатного предпроектного осмотра, подберем оборудование, составим смету

Следующий проект

Форма заявки

Дизельные электростанции:
Бюджетные:
Оптимальные по качеству и цене:
Премиальные: