Электронная почта:

Запрос в мессенджер:

Тел. и время работы:
+7 (812) 207-52-94
Пн-Вс 7:00 - 20:00
Заказ оборудования по телефону:
8 (800) 511-59-77
Выбранный город:
Санкт-Петербург
Митрофаньевское шоссе, 8А, Лит. Б
  • Надежные бренды и подтвержденные стандарты качества:
Заказ оборудования по телефону: 8 (800) 511-59-77

Двигатель Volvo TAD530GE (0 кВт)

  • Volvo TAD530GE - 0 кВт купить  | Двигатель в Техэкспо
  • Volvo TAD530GE - 0 кВт купить  | Двигатель в Техэкспо
  • Volvo TAD530GE - 0 кВт купить  | Двигатель в Техэкспо
  • Volvo TAD530GE - 0 кВт купить  | Двигатель в Техэкспо
  • Volvo TAD530GE - 0 кВт купить  | Двигатель в Техэкспо
  • Volvo TAD530GE - 0 кВт купить  | Двигатель в Техэкспо
  • Volvo TAD530GE - 0 кВт купить  | Двигатель в Техэкспо
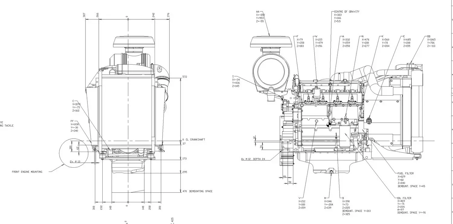
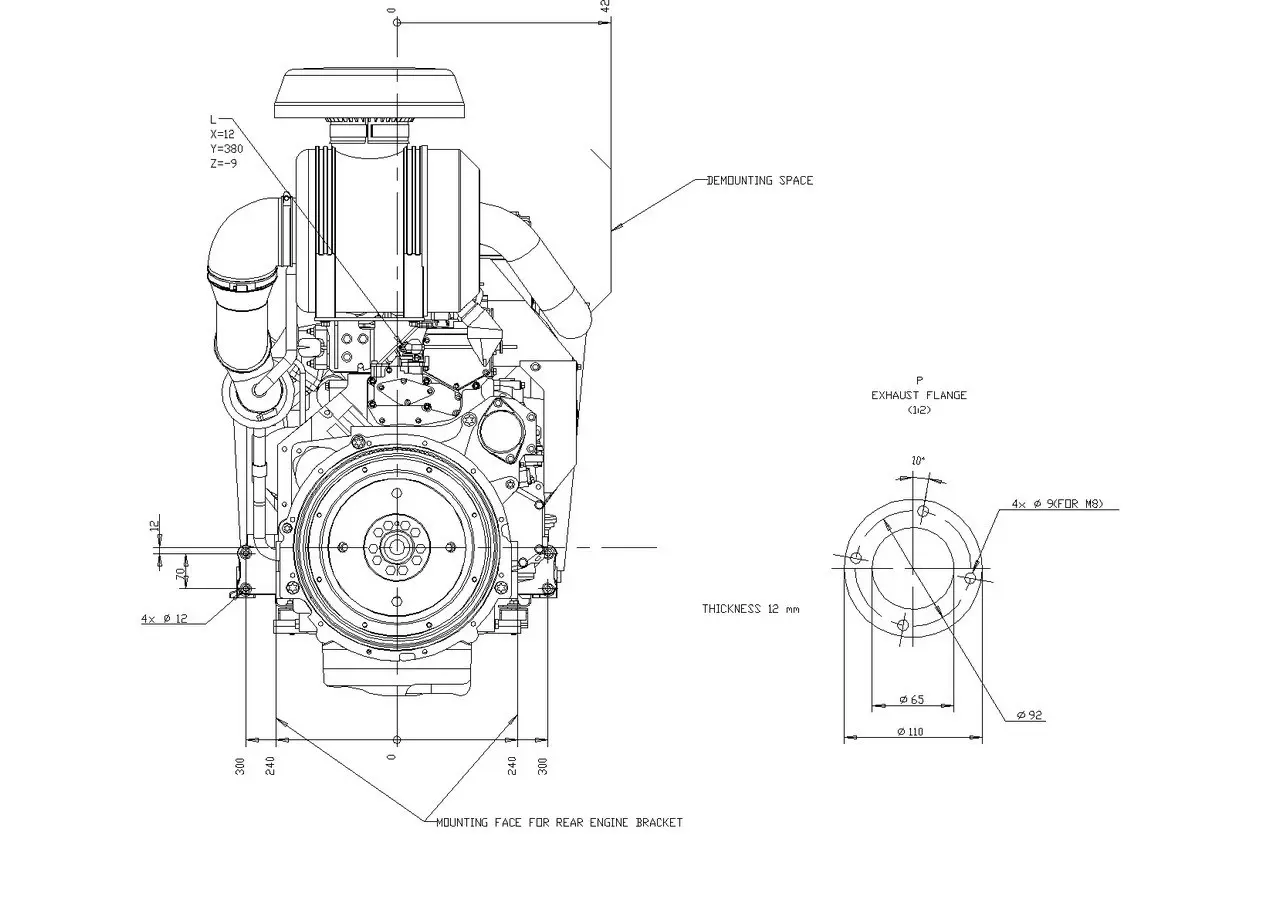
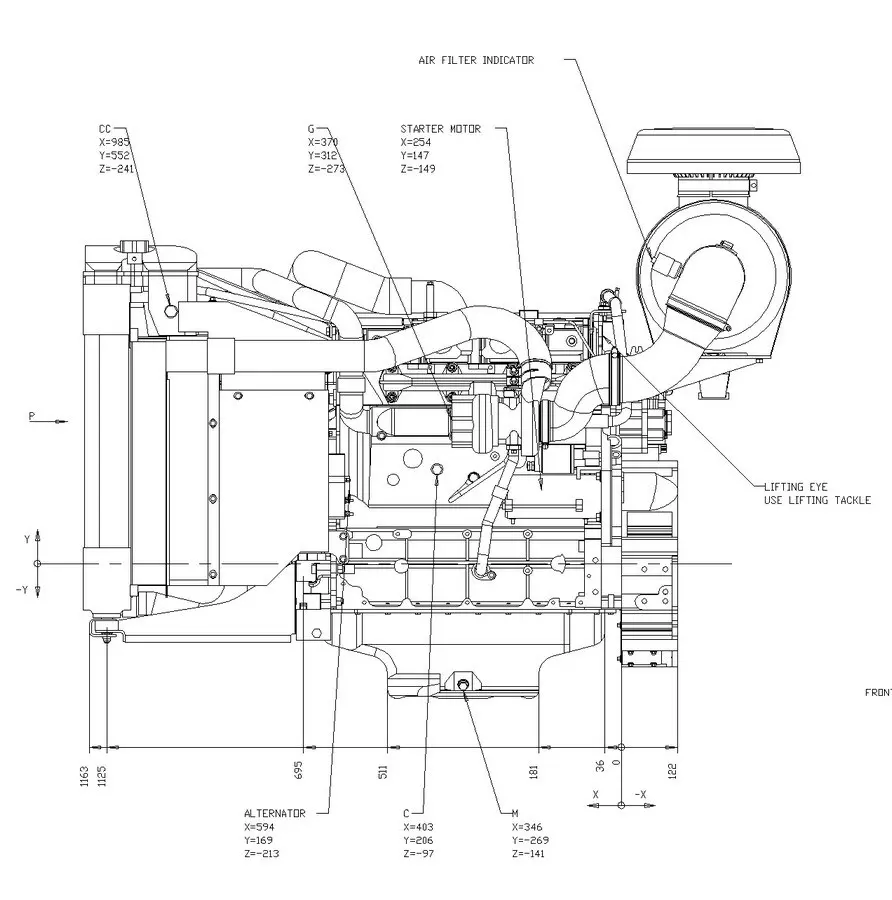
  • Объём двигателя, л: 4.8
  • Максимальная мощность, кВт: 83 кВт / 104 кВА
  • Расположение цилиндров: 4, рядное
  • под заказ

Технические характеристики TAD530GE

  • ПроизводительVolvo
  • СтранаШвеция
  • Объём масляной системы, л13
  • Тип охлаждения двигателяжидкостное
  • Частота вращения, об/мин1 500
spec_engine_volvo_tad530ge_2.pngspec_engine_volvo_tad530ge_1.png

Дизельные электростанции на двигателе TAD530GE

Дизельные электростанции:
Бюджетные:
Оптимальные по качеству и цене:
Премиальные: