Электронная почта:

Запрос в мессенджер:

Тел. и время работы:
+7 (812) 207-52-94
Пн-Вс 7:00 - 20:00
Заказ оборудования по телефону:
8 (800) 511-59-77
Выбранный город:
Санкт-Петербург
Митрофаньевское шоссе, 8А, Лит. Б
  • Надежные бренды и подтвержденные стандарты качества:
Заказ оборудования по телефону: 8 (800) 511-59-77

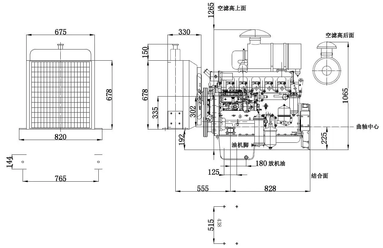
Двигатель Ricardo R6105AZLD 121 кВт

  • Ricardo R6105AZLD - 0 кВт купить  | Двигатель в Техэкспо
  • Ricardo R6105AZLD - 0 кВт купить  | Двигатель в Техэкспо
  • Объём двигателя, л: 6.8
  • Максимальная мощность, кВт: 121 кВт / 151 кВА
  • Расположение цилиндров: 6, рядное
  • под заказ

Технические характеристики R6105AZLD

  • ПроизводительRicardo
  • СтранаКитай
  • Объём масляной системы, л17
  • Тип охлаждения двигателяжидкостное
  • Частота вращения, об/мин1 500

Дизельные электростанции на двигателе R6105AZLD

Дизельные электростанции:
Бюджетные:
Оптимальные по качеству и цене:
Премиальные: