Двигатель Mitsubishi S4Q2 (0 кВт)
Mitsubishi S4Q2 - 0 кВт купить | Двигатель в Техэкспо
Mitsubishi S4Q2 - 0 кВт купить | Двигатель в Техэкспо
Mitsubishi S4Q2 - 0 кВт купить | Двигатель в Техэкспо
Mitsubishi S4Q2 - 0 кВт купить | Двигатель в Техэкспо
Mitsubishi S4Q2 - 0 кВт купить | Двигатель в Техэкспо
Mitsubishi S4Q2 - 0 кВт купить | Двигатель в Техэкспо
Mitsubishi S4Q2 - 0 кВт купить | Двигатель в Техэкспо
-
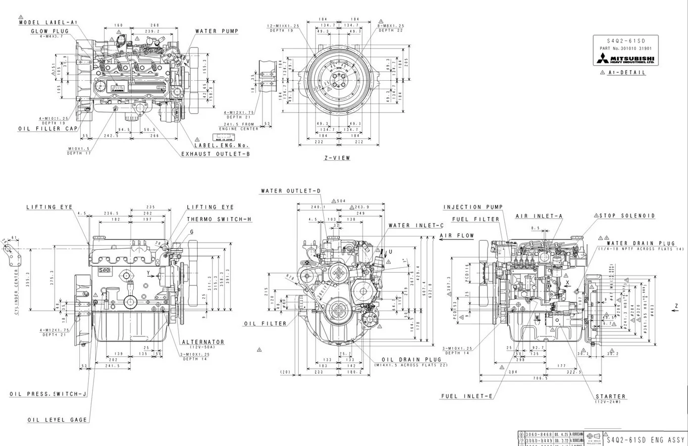
Объём двигателя, л:
2.5
-
Максимальная мощность, кВт:
22 кВт / 28 кВА
-
Расположение цилиндров:
4, рядное
-
под заказ
-
Технические характеристики S4Q2
- ПроизводительMitsubishi
- СтранаЯпония
- Объём масляной системы, л7
- Тип охлаждения двигателяжидкостное
- Частота вращения, об/мин1 500
Описание S4Q2

Дизельные электростанции на двигателе S4Q2