Двигатель Mitsubishi 6D16-TLE2DB (0 кВт)
Mitsubishi 6D16-TLE2DB - 0 кВт купить | Двигатель в Техэкспо
Mitsubishi 6D16-TLE2DB - 0 кВт купить | Двигатель в Техэкспо
Mitsubishi 6D16-TLE2DB - 0 кВт купить | Двигатель в Техэкспо
Mitsubishi 6D16-TLE2DB - 0 кВт купить | Двигатель в Техэкспо
Mitsubishi 6D16-TLE2DB - 0 кВт купить | Двигатель в Техэкспо
Mitsubishi 6D16-TLE2DB - 0 кВт купить | Двигатель в Техэкспо
-
Объём двигателя, л:
7.5
-
Максимальная мощность, кВт:
124 кВт / 155 кВА
-
Расположение цилиндров:
6, рядное
-
под заказ
-
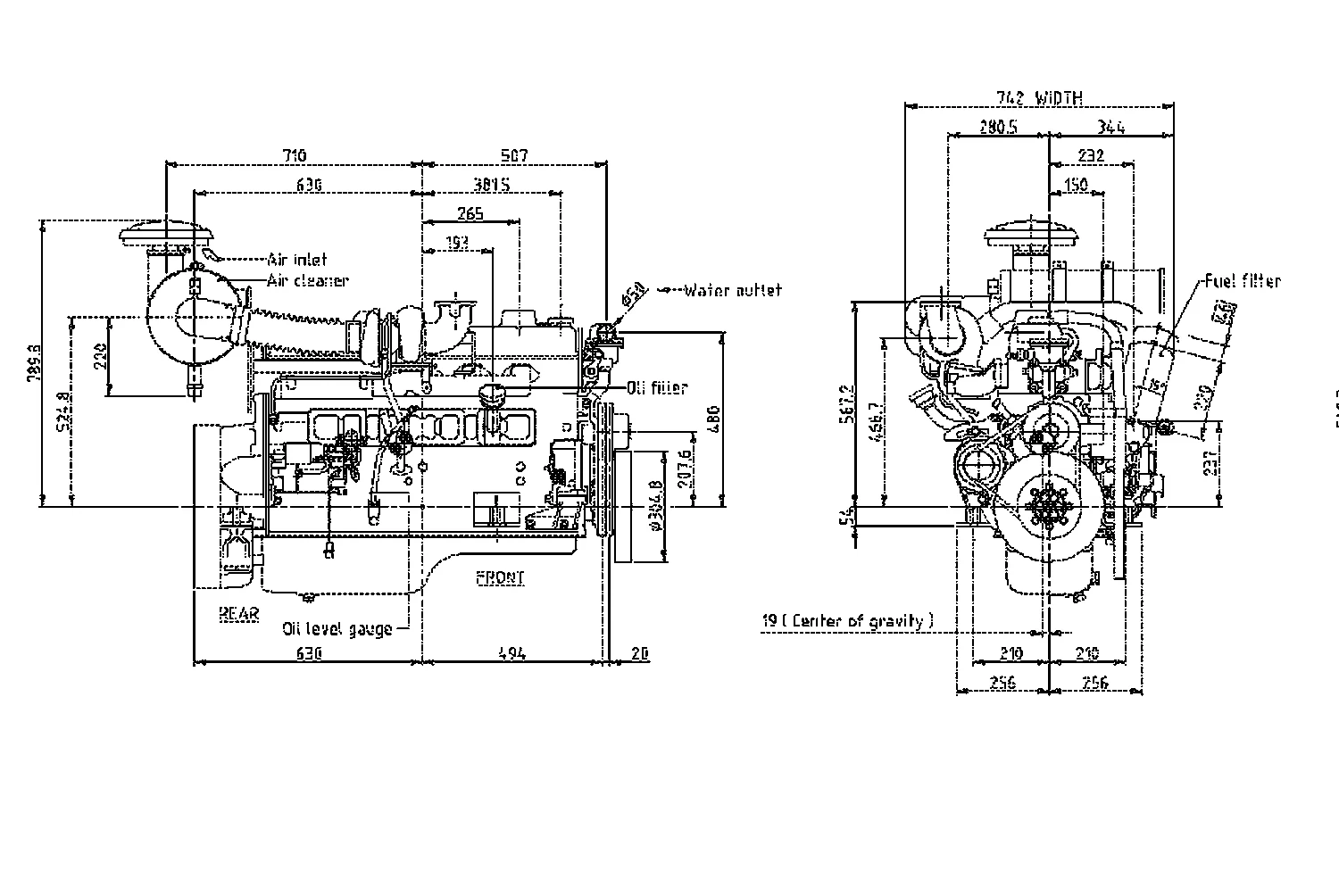
Технические характеристики 6D16-TLE2DB
- ПроизводительMitsubishi
- СтранаЯпония
- Объём масляной системы, л
- Тип охлаждения двигателяжидкостное
- Частота вращения, об/мин1 500
Описание 6D16-TLE2DB

Дизельные электростанции на двигателе 6D16-TLE2DB