Электронная почта:

Запрос в мессенджер:

Тел. и время работы:
+7 (812) 207-52-94
Пн-Вс 7:00 - 20:00
Заказ оборудования по телефону:
8 (800) 511-59-77
Выбранный город:
Санкт-Петербург
Митрофаньевское шоссе, 8А, Лит. Б
  • Надежные бренды и подтвержденные стандарты качества:
Заказ оборудования по телефону: 8 (800) 511-59-77

Контейнеры для кафе под ключ (электроснабжение, водоснабжение)

ООО "Техэкспо" предлагает контейнеры для кафе под ключ. Поможем составить проектную и рабочую документацию, изготовим контейнер любых размеров. Контейнер представляет собой закрытую герметичную емкость, собранную из дна, крыши, стенок и двери. Основу конструкции составляет прочный каркас, который сваривается из стальных балок. Основание образуется продольными и поперечными нижними балками. К ним приваренные по углам конструкции боковые. Верхнюю плоскость составляют поперечные верхние и продольные несущие балки крыши. Сверху и по периметру изделие обшивается стальными антикоррозийными листами с гофрированным профилем. Для изготовления контейнеров  используется качественная легированная сталь. Толщина металла составляет 1,5 – 3,0 мм, что придает конструкции прочности и хорошей жесткости.

В качестве пола в изделиях используется деревянный материал, наиболее часто прессованная фанера, толщиной до 40 мм. Дополнительно она может пропитываться специальным составом против грибков и плесени. Использование пиломатериала для основания имеет ряд преимуществ: устойчивость против механических повреждений, хорошая эластичность, удобство выполнения операций по ремонту или замене настила.

Цена с полной комплектацией электрики и инженерных коммуникаций – 1,7 млн рублей. Заказать

Контейнер под кафе оборудован дверьми распашного типа. Они монтируются на прочных петлях. На двери наносится характеристика изделия, в которой закодированы все основные параметры, такие как номер, допустимая грузоподъемность, масса, объем, информация о владельце, а также другие условные обозначения. Для открывания дверей предусмотрены ручки, которые приводят в действие запирающие механизмы. По периметру дверной проем герметизируется уплотнительной резинкой. Вся конструкция покрывается качественным лакокрасочным покрытием для защиты металла от действия окружающей среды.

Возможно объединение контейнеров стяжными болтами и креплениями, а также изменение конструкции стандартного кафе из контейнера: демонтаж распашных дверей, устройство оконных и дверных проёмов, устройство откидных козырьков над окнами на петлях, монтаж террасы, выполненной по аналогии с конструкцией контейнера, имеющей подъёмно-опускной механизм. Наружный контур строения выполнен из металла. Стены, пол и потолок утеплены утеплителем толщиной 50 мм. Изнутри выполнена отделка деревом. Оконные заполнения — двухкамерный стеклопакет. Дверные заполнения — металл.

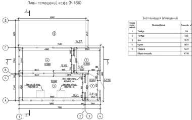
Состав помещений: Помещение кухни кафе из контейнера оборудуется всем необходимым. Внутри кафе из контейнера располагается зал с сидячими местами для посетителей - столы и стулья. Терраса является наружной частью кафе с сидячими местами для посетителей под открытым небом. Здание обеспечено системами электроснабжения, холодного водоснабжения и водоотведения от городских сетей. Горячее водоснабжение осуществляется от бойлера водонагревателя.

Пожарные характеристики:

  • класс строения по функциональной пожарной опасности Ф 3.2
  • степень огнестойкости – II;
  • класс по конструктивной пожарной опасности – С0;
  • класс пожарной опасности наружных и внутренних стен, перекрытий – К1.

В помещении кафе из контейнера предполагается:

  1. Устройство защитного отключения (УЗО) на электросетях в соответствии с ПУЭ.

  2. На сетях хозяйственно-питьевого водопровода предусмотрен отдельный кран для присоединения шланга (рукава) в целях возможности его использования в качестве первичного устройства пожаротушения на ранней стадии. Шланг должен обеспечивать возможность подачи воды в любую точку помещения с учетом длины струи 3м, длиной не менее 15м, диаметром 19мм и оборудован распылителем.

  3. Помещения оборудованы дымовыми и тепловыми пожарными извещателями категории защиты по ГОСТ 14254- 69.

  4. Входные двери открываются изнутри без ключа и имеют приспособление для самозакрывания и уплотнения в притворах.

Хотите получить полную проектную документацию?

  • Расчёт фундаментов
  • Теплотехнический расчёт
  • Воздухообмен, водоснабжение и канализация
  • Автоматическая установка пожарной сигнализации (АУПС)
  • Система оповещения и управления эвакуацией
  • Таблица расчёта нагрузок электроприборов, электроснабжение и освещение

Отправить запрос на order+cafe@tech-expo.ru






Дизельные электростанции:
Бюджетные:
Оптимальные по качеству и цене:
Премиальные: