Электронная почта:

Запрос в мессенджер:

Тел. и время работы:
+7 (812) 207-52-94
Пн-Вс 7:00 - 20:00
Заказ оборудования по телефону:
8 (800) 511-59-77
Выбранный город:
Санкт-Петербург
Митрофаньевское шоссе, 8А, Лит. Б
  • Надежные бренды и подтвержденные стандарты качества:
Заказ оборудования по телефону: 8 (800) 511-59-77

ДГУ 320 кВт, СМР, монтаж кабеля и ВРУ для складов «Катроса Реактив»

Общая мощность 320 кВт
Заказчик Катроса Реактив
Фото
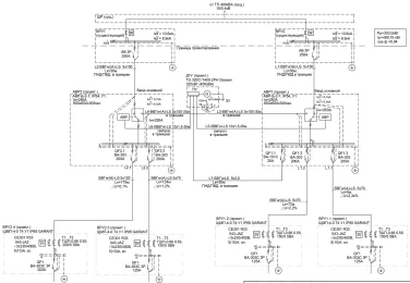
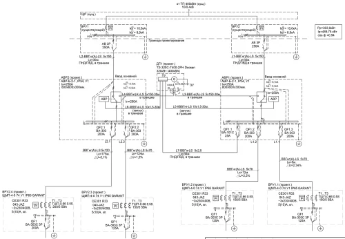
Решение В 2021 г. ООО «Техэкспо» разработало проект (ПД) системы резервного электропитания с ДГУ ТЭ.320С-Т400-2РП на базе двигателя Doosan (P158LE (398 кВт) для четырех складов «Катроса Реактив» (поставщик химических реактивов).

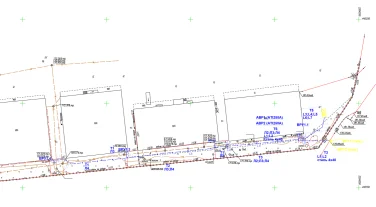
ДГУ в кожухе была поставлена в Московскую область, а также проведены строительно-монтажные работы: раскопка траншеи, укладка кабеля (ВВГ 5х120, ВВГ 5х150, 5х70, 10х1,5), подготовка основания, трамбовка, монтаж кабельных проходок в стенах и перегородках складского корпуса, монтаж щитов ВРУ складского корпуса и ДГУ, ПНР, испытание под нагрузкой и ввод в эксплуатацию ДГУ.

Для обеспечения автоматического переключения с основного источника питания (ТПсущ., ВРУ1, ВРУ2) на резервный источник питания (ДГУ) устанавливаются комплектные щиты с АВР (АВР1, АВР2). От щитов ЩАВР питаются ВРУ1.1-ВРУ2.4 по отдельным КЛ-0,4кВ. Автоматическое переключение линий для питания ВРУ1.1-ВРУ2.4 на ДГУ осуществляется при помощи блока правления щитов ЩАВР, устанавливаемых на улице под навесом у склада №1.

Электроснабжение ВРУ1.1-ВРУ2.4 складов в рабочем режиме предусматривается от существующих ВРУ1, ВРУ2 и ТП 10/0,4кВ. В аварийном режиме, при пропадании напряжения на вводе АВР1, АВР2 встроенный контроллер с помощью сухих контактов формирует сигнал на запуск ДГУ. Переключение на основной/резервный ввод происходит автоматически.

Нагрузка ограничена токами вводных автоматов = 250А для каждой из двух отходящих линий от ВРУ-1 и ВРУ-2. На участке от АВР до ВРУ складов - кабель ВВГ 5*70 мм2 и кабель ВВГ 5*120 мм2, с изоляцией из PVC и максимальной рабочей температурой + 70 °С.



Закажите расчет бюджета аналогичного проекта - напишите нам запрос на

Направим на ваш объект инженера для бесплатного предпроектного осмотра, подберем оборудование, составим смету

Следующий проект

Форма заявки

Дизельные электростанции:
Бюджетные:
Оптимальные по качеству и цене:
Премиальные: