Двигатель Perkins 4008-30TAG3 (0 кВт)
Perkins 4008-30TAG3 - 0 кВт купить | Двигатель в Техэкспо
Perkins 4008-30TAG3 - 0 кВт купить | Двигатель в Техэкспо
Perkins 4008-30TAG3 - 0 кВт купить | Двигатель в Техэкспо
Perkins 4008-30TAG3 - 0 кВт купить | Двигатель в Техэкспо
Perkins 4008-30TAG3 - 0 кВт купить | Двигатель в Техэкспо
Perkins 4008-30TAG3 - 0 кВт купить | Двигатель в Техэкспо
-
Объём двигателя, л:
30.6
-
Максимальная мощность, кВт:
1041 кВт / 1302 кВА
-
Расположение цилиндров:
8, рядное
-
под заказ
-
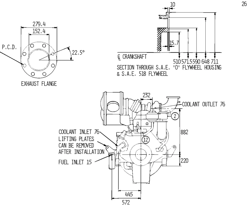
Технические характеристики 4008-30TAG3
- ПроизводительPerkins
- СтранаВеликобритания
- Объём масляной системы, л166
- Тип охлаждения двигателяжидкостное
- Частота вращения, об/мин1 500
Описание 4008-30TAG3

Дизельные электростанции на двигателе 4008-30TAG3