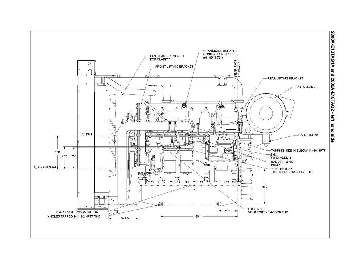
Двигатель Perkins 2806A-E18TAG2 (0 кВт)
Perkins 2806A-E18TAG2 - 0 кВт купить | Двигатель в Техэкспо
Perkins 2806A-E18TAG2 - 0 кВт купить | Двигатель в Техэкспо
Perkins 2806A-E18TAG2 - 0 кВт купить | Двигатель в Техэкспо
Perkins 2806A-E18TAG2 - 0 кВт купить | Двигатель в Техэкспо
Perkins 2806A-E18TAG2 - 0 кВт купить | Двигатель в Техэкспо
-
Объём двигателя, л:
18.1
-
Максимальная мощность, кВт:
609 кВт / 761 кВА
-
Расположение цилиндров:
6, рядное
-
под заказ
-
Технические характеристики 2806A-E18TAG2
- ПроизводительPerkins
- СтранаВеликобритания
- Объём масляной системы, л62
- Тип охлаждения двигателяжидкостное
- Частота вращения, об/мин1 500
Описание 2806A-E18TAG2

Дизельные электростанции на двигателе 2806A-E18TAG2